
EXPANDER 80
This page is dedicated to the Siel Expander 80 synth module, which seems to constantly be slated for being an inadequate copy of the Korg EX800. This web page is a complete resource for the Siel Expander 80, showing that if time is given to understand it, and accepting it's limitations, then a very capable synth will become apparrent.

THE FACTS
The Italian company Siel released their DK80 synth keyboard in 1985, which was a 12 voice analogue bitimbric (2 sounds at once) synth. The Expander 80 was also released at the same time (costing only £399, the cheapest instrument in it's class by a long way) being essentially (but not just) half a DK80 - 8 voice polyphonic and one sound at a time. Originally the Expander 80 was not supplied with a power supply, as the DK80 one was designed to drive the pair (Siel expected the DK80 owner to be the typcial owner of the Expander 80). The Expander 80 still retained the 300 event two track sequencer, although both tracks have to play the same sound. Similarities to the Korg EX800 cannot be ignored, especially as the voice architecture and front panel layout do have similarities. The Korg EX800 was released a year earlier in 1984, so the Siel Expander 80 definately followed it. Internally, they share no common electronics - so it's no surprise they sound different
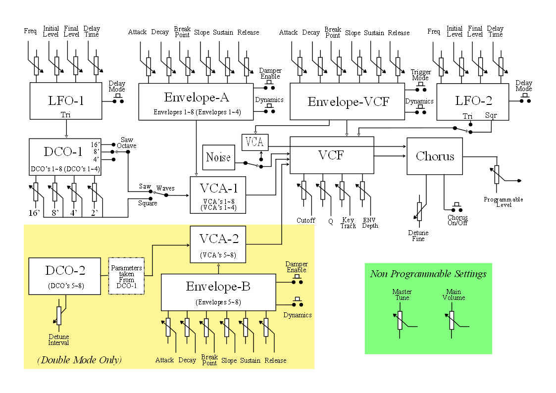
The Expander 80 architecture has 8 digitally controlled oscillators (DCO), 9 VCA's (8 for the DCO's and one for the noise generator) and a single 4-pole (24dB/octave) VCF (SSM2045), with nine 6-parameter digital envelope generators (8 for the VCA's and one for the single VCF) plus 2 LFOs. A pink noise generator and analogue chorus are also included. A double mode, stacks 2 DCO's together (4 note polyphonic) with detune - though the DCO's have to share the same settings. In fact the oscillators and VCA's are all on one chip (an M112 polyphonic sound generator), and the envelopes are under microproccesor control (a Texas TMS7000 in case you were wondering). The chorus is an analogue bucket brigade delay line (TDA1022).
The M112 chip conatins a top octave generator with octave dividers, 5 footage outputs under VCA control, this is organ frequency divider technology rather thna synth voltage control technology, though it still remains analogue voice generation.
The Expander 80 block diagram:
LIMITATIONS
OK - the Expander 80 is not perfect, it has one major economy in it's design, which it shares with the likes of the Korg Mono/Poly, Poly 800, EX800 and also the Moog Opus 3 (so it's not alone) - it only has one VCF. If playing single notes (monophonic playing) no issue, if playing block chord stabs - no issue, but trying to play two hands at once will mean either notes not sounding again, or all notes retriggering with each new note played. The Expander 80 has a trigger mode for the user to decide which mode is best. There are some sounds when this retriggering effect can become a useful part of the sound, so it is not always a limitation!
The Expander 80 has 40 preset sounds (memories 00 - 39) and (only?!) 10 programmable sounds (memories 40 - 49). If memories 50-99 are selected, memory location selected minus 50 is called up. Extra memory is available on the optional (and very rare!) RAM cartridge, where a further 50 memory locations are available (memories 50 -99 with the Cartridge mode enabled). Siel did (or maybe were going to - has anybody ever seen a Siel ROM cartridge?) produce a preset ROM cartridge with 100 sounds on in two banks of 50.
ODDITIES
Like any synth there are oddities of the system, and the Expander 80 is no different here. One apparent feature of the oscillators, is that there appears to be four of them per note! Yes, so it will seem. There are eigth oscillators (8 note poly single mode), and by stacking two under each key (4 note poly double mode), but each oscillator can be "detuned" to fatten it up. If put into whole mode - that is, using 8 note polyphony and one oscillator, the detune fine parameter still introduces a two oscillator detune effect. Then, putting the Expander 80 into Double mode using 4 note polypony and two oscillators, the detune fine works on this as well. DCO2 can be transposed chromatically anywhere up to nearly 5 octaves higher than DCO1 - both DCO's have detune - it's definately like having 4 oscillators. But - what is really happening is simply the chorus effect. There is no oscillator detune fine in the Expander 80 at all, as the detune fine simply brings in 15 levels of chorus, in fact the oscilators cannot be fine detuned, only in chromatic intervals.
As the detune fine is actually the chorus effect, this means that the DCO detune and the Chorus effect are exclusive. When the Chorus is switched on, the detune becomes unavailable. When the chorus is acting as "detune", the chorus is mono output, though when it is used as a conventional chorus, it's output is stereo.
Stereo output? Well, the Expander 80 does have two outputs - not that there is much stereo about it though. Unlike it's keyboard brother - the DK80 - which being bitimbric could put a different sound to each output (allowing various auto panning effects), the one sound at a time Expander 80 can only put the same sound to both outputs. The Chorus effect is however stereo, though only by inverted phase on one side.
Who printed the panel wrong then? Parameter 21 (Detune Interval) goes up to a value of 61 - and not just 11 shown on the panel (this is a limitation of the DK80). Parameter 93 (MIDI Channel) goes up to a value of 16 - and not just 15 shown on the panel.
The Expander 80 has a slightly odd (complete with bugs) System Exclusive implementation, there seems to be no official data on the implementation, but it does support bulk dumps and dump request, though it does not seem to support parameter changes via sys ex, it does however allow parameter changes by MIDI controllers.(see below for MIDI control data). The only editor known is for Soundquest's Midiquest. (Though there was a Siel's own Commodore 64 editor back in the 1980's). This is what the Midiquest editor looks like:-

There seems to be a bug in the MIDI controller reception with the Expander 80, unless there ever was an operating system update, Parameter 22 (Detune Fine) and Parameter 81 (Chorus) cannot be controlled by their associated controllers (CC30 and CC62). When receiving MIDI CC30, the Expander 80's display changes to show the incoming data, but the actual detuning (chorus speeed) does not change, same with CC62. Maybe this was corrected in a software revision.
UNDOCUMENTED THINGS....
The Expander 80 allows every parameter to be controlled by MIDI controllers, though Siel never told you what they were, so here they are:-
| Parameter | Function | MIDI CC | Range | Parameter | Function | MIDI CC | Range | Parameter | Function | MIDI CC | Range | ||
| 01 | DEG VCA-A Attack | 12 | 0 ~ 15 | 11 | DEG VCA-B Attack | 21 | 0 ~ 15 | 21 | Detune Interval | 29 | 0 ~ 61 | ||
| 02 | DEG VCA-A Decay | 13 | 0 ~ 15 | 12 | DEG VCA-B Decay | 22 | 0 ~ 15 | 22 | Detune Fine | 30 | 0 ~ 15 | ||
| 03 | DEG VCA-A Breakpoint | 14 | 0 ~ 15 | 13 | DEG VCA-B Breakpoint | 23 | 0 ~ 15 | 23 | Noise Level | 31 | 0 ~ 15 | ||
| 04 | DEG VCA-A Slope | 15 | 0 ~ 15 | 14 | DEG VCA-B Slope | 24 | 0 ~ 15 | 24 | Noise Destination | 32 | 1 (VCA) ~ 2 (VCF) | ||
| 05 | DEG VCA-A Sustain | 16 | 0 ~ 15 | 15 | DEG VCA-B Sustain | 25 | 0 ~ 15 | ||||||
| 06 | DEG VCA-A Release | 17 | 0 ~ 15 | 16 | DEG VCA-B Release | 26 | 0 ~ 15 | ||||||
| 07 | DEG VCA-A Dynamics | 18 | 0 (Off) ~ 1 (On) | 17 | DEG VCA-B Dynamics | 27 | 0 (Off) ~ 1 (On) | ||||||
| 08 | DEG VCA-A Damper | 19 | 0 (Off) ~ 1 (On) | 18 | DEG VCA-B Damper | 28 | 0 (Off) ~ 1 (On) | ||||||
| 09 | DCO Mode | 20 | 1 (Whole) ~ 2 (Double) |
| Parameter | Function | MIDI CC | Range | Parameter | Function | MIDI CC | Range | Parameter | Function | MIDI CC | Range | ||
| 31 | DEG VCF Attack | 33 | 0 ~ 15 | 41 | LFO-2 Frequency | 40 | 0 ~ 15 | 51 | LFO-1 Frequency | 46 | 0 ~ 15 | ||
| 32 | DEG VCF Decay | 34 | 0 ~ 15 | 42 | LFO-2 Final Level | 41 | 0 ~ 15 | 52 | LFO-1 Final Level | 47 | 0 ~ 15 | ||
| 33 | DEG VCF Breakpoint | 35 | 0 ~ 15 | 43 | LFO-2 Initial Level | 42 | 0 ~ 15 | 53 | LFO-1 Initial Level | 48 | 0 ~ 15 | ||
| 34 | DEG VCF Slope | 36 | 0 ~ 15 | 44 | LFO-2 Delay Time | 43 | 0 ~ 15 | 54 | LFO-1 Delay Time | 49 | 0 ~ 15 | ||
| 35 | DEG VCF Sustain | 37 | 0 ~ 15 | 45 | LFO-2 Delay Mode | 44 | 1 (Manual), 2 (Auto) | 55 | LFO-1 Delay Mode | 50 | 1 (Manual), 2 (Auto) | ||
| 36 | DEG VCF Release | 38 | 0 ~ 15 | 46 | LFO-2 Waveform | 45 | 1 (Triangle), 2 (Square) | ||||||
| 37 | DEG VCF Dynamics | 39 | 0 (Off), 1 (On) |
| Parameter | Function | MIDI CC | Range | Parameter | Function | MIDI CC | Range | Parameter | Function | MIDI CC | Range | ||
| 62 | DCO Waveform | 51 | 0 (Off), 1 (Sqr), 2 (Saw) | 71 | VCF Cutoff | 57 | 0 ~ 99 | 81 | Chorus | 62 | 0 (Off), 1 (On) | ||
| 63 | DCO Sawtooth Octave | 52 | 1 (16'), 2 (8'), 3 (4') | 72 | VCF Resonance | 58 | 0 ~ 15 | 82 | Volume | 63 | 0 ~ 15 | ||
| 64 | DCO Square 16' Level | 53 | 0 ~ 15 | 73 | VCF Keyboard Track | 59 | 0 (Off), 1 (Half), 2 (Full) | ||||||
| 65 | DCO Square 8' Level | 54 | 0 ~ 15 | 74 | VCF DEG Trigger Mode | 60 | 1 (Single), 2 (Multi) | ||||||
| 66 | DCO Square 4' Level | 55 | 0 ~ 15 | 75 | VCF DEG Level | 61 | 0 ~ 15 | ||||||
| 67 | DCO Square 2' Level | 56 | 0 ~ 15 |
If the Expander 80 ever displays 4c at switch on, this means the internal backup battery has gone.
Parameter 94 - not shown on the panel, this selects the Pedal destination, 1: modulation trigger, 2:Program Up, 3: Sequencer Start/Stop (OK - the manual does mention this)
Parameter 95 selects the sequencer playing destination, 0: Internal Sound Engine, 1: External MIDI output
Parameter 96 turns the metronome on, 0: Off, 1: On
MIDI Controller 65 is the Manual LFO trigger control, this is a hang over from the DK80 keyboard version, that had a trigger switch (rather than a mod wheel). Controller 65 is usually the second pedal function (although perhaps the standard controller CC1 would have made more sense - never mind.....)
The Expander 80 also responds to controller 125 (Omni On), controller 124 (Omni Off) and controller 123 (All Notes Off).
The three envelopes share the same timings, the Attack and Decay times are variable from 30mS to 6 seconds. This minimum 30mS attack time explains why the Expander 80 does not have an aggressive punchy sound. The Slope and Release times go from 60mS to 21 seconds, which should be adequate for everything.
The two LFO's share the same spec as well, both ranging from 0.25Hz at it's slowest to 10Hz fastest. The delay time variable from zero to 1.5 seconds. The LFO trigger mode is always Single (the Trigger Mode parameter 74 does not affect the LFO trigger). The LFO's are not key synced, so free run at all times. In case your curious, here is the LFO speed reference:
| LFO Frequency Setting | LFO Frequency |
| 0 | 0.25 Hz |
| 1 | 0.5 Hz |
| 2 | 0.75 Hz |
| 3 | 1.25 Hz |
| 4 | 1.5 Hz |
| 5 | 2 Hz |
| 6 | 2.5 Hz |
| 7 | 3 Hz |
| 8 | 3.5 Hz |
| 9 | 4 Hz |
| 10 | 4.5 Hz |
| 11 | 5 Hz |
| 12 | 6 Hz |
| 13 | 6.5 Hz |
| 14 | 8 Hz |
| 15 | 10 Hz |
RELIABILITY
Do they ever go worng? Well yes they do, but so do many vintage synths, the most common problem seems to be the power supply itself, whether they just get lost or blow up is unclear, but many Expander 80's don't have the original power supply, and Expander 80's often turn up without any power supply. The power supply needs to be AC (not DC) and has to be centre tapped 16-0-16 (anything from 15-0-15 to 18-0-18 is OK, but don't go above 18v as an unregulated line is connected to the display). The transformer needs to be 1A and connected to a 5 pin (Domino) DIN socket with the middle pin being the common (ground) and the outer pins carrying the AC.
Battery failure is likely by now if it hasn't already been changed, although a standard CR2032 is needed it uses a soldered in holder, so a soldering iron is needed to change it.
TWEEKS.
I am not a fan of modifying things, a synth is what it is, if it's not what you want - get a differenent one! So, consider this as calibration. The resonance on the filter is not normally set very aggresive. Remember that on the Expander 80, the VCF comes after the VCA, so if the VCF goes into self oscillation, nothing will stop it sounding. Though, the resonance can be optimised by a single internal adjustment. This needs to be done with the Expander 80 apart and switched on, there is no great danger in this, as the Expander 80 does not have any mains inside, the highest voltage is the 16-0-16 AC input, but take care you could still harm the Expander 80.
Here is a step by step guide to getting the filter resonance optimised. First disconnect the Expander 80, turn it upside down on a soft surface. Take out the 6 screws at the edges (you'll need a thin philips screwdriver to reach into the deep recess). The next stage is to loosen the three output jack socket nuts (out L,R and phones), you don't need to take the nuts off, but you can if you prefer. With the Expander the right way up, gently part the two halfs so that the hinge action is to the front. You will be able to lay both halves flat side by side.It should look like this:


Now having laid it all out nicely, you are going to need to lift the front up so you can operate it. Connect an audio out so you can hear what's going on and apply the power, you don't need MIDI for this adjustment. Set the VCF cutoff to around 60 (if it's too high you won't hear it), set the resonance to maximum 15 (this is vital). Now locate the internal resonance adjuster P4, this is located at the back and centrally on the analogue board (the one with the output sockets on). With a small flat blade screwdriver adjust P4 slowly until you here the filter self oscillate, then back it off slightly so you cannot hear it. That is it! Put it all back together it's done. You will find the presets sound better, and that filter will really zap now - it's an SSM 2045 filter, so it should sound as good as this.
PEDIGREE
The oscillators/VCA's are the M112 chip, perhaps not pedigree, as this chip was designed for use in organs, but the SSM filter is the SSM2045 as used in the Emu Emulator II, and SSM filters (mainly the SSM 2044) are used in the Fairlight CMI II, Korg Poly-6/Monopoly, PPG Wave 2.2/2.3, Kawai K3/SC240 and Simmons SDS5 etc. The early Sequential Prophet V's used SSM 2040's as well as the RSF Kobol.
RESOURCES
Here are some pdf docs that should be of use:
Siel Expander 80 Owners manual
Siel Expander 80 review - International Musician June 1985
Siel Expander 80 review - Electronics & Music Maker April 1985
Siel Graphics Editing Software review - E&MM August 1985
Siel Expander 80 script file for Cubase (PC)
Siel Expander 80 patches (please email your patches in , and I will add them to this "definitive" patch library).